一、中低壓變頻器
變頻器主要由整流(交流變直流)、濾波、逆變(直流變交流)、制動單元。變頻器靠內部IGBT的開斷來調整輸出電源的電壓和頻率,根據電機的實際需要來提供其所需要的電源電壓,進而達到節能、調速的目的。
變頻器主電路拓撲結構:

電壓范圍:
單相110VAC/220VAC
三相220VAC/380VAC/480VAC/690VAC
功率范圍:3KW~500KW
IGBT部分
| 封裝 | 拓撲 | 650V | 1200V | 1700V | 
| TO-247 | 單管\single | MG40H120TD1H1 | ||
| MA_34mm | 半橋\half-bridge | MG75MA65BTS1 | MG50MA120BTS1 | MG100MA170BTH1 | 
| MG100MA65BTS1 | MG75MA120BTS1 | |||
| MG150MA65BTS1 | MG100MA120BTS1 | |||
| MG200MA65BTS1 | MG150MA120BTS1 | |||
| MG50MA120BTH1 | ||||
| MG75MA120BTH1 | ||||
| MG100MA120BTH1 | ||||
| MG150MA120BTH1 | ||||
| MB_62mm | 半橋\half-bridge | MG300MB65BTS1 | MG200MB120BTS1 | MG200MB170BTH1 | 
| MG400MB65BTS1 | MG300MB120BTS1 | |||
| MG400MB120BTS1 | ||||
| MG300MB120BTH1 | ||||
| MG400MB120BTH1 | ||||
| MG450MB120BTH1 | ||||
| MN-EconoDUAL?3 | 半橋\half-bridge | MG450MN120BTS1 | MG300MN170BTH1 | |
| MG600MN120BTS1 | ||||
| MG450MN120BTH1 | ||||
| MC-Easy 1B | 7單元\PIM | MG15MC120XTH1_4 | ||
| MC-Easy 2B | 7單元\PIM | MG40MK120XTH1_4 | ||
| ME-EconoPIM?2 | 7單元\PIM | MG50ME120XTS1_4 | ||
| MG40ME120XTH1_4 | ||||
| MG50ME120XTH1_4 | ||||
| MF-EconoPIM?3 | 7單元\PIM | MG50MF120XTS1_4 | ||
| MG75MF120XTS1_4 | ||||
| MG100MF120XTS1_4 | ||||
| MG150MF120XTS1_4 | ||||
| MG50MF120XTH1_4 | ||||
| MG75MF120XTH1_4 | ||||
| MG100MF120XTH1_4 | ||||
| MG150MF120XTH1_4 | ||||
| ME-EconoPACK2 | 三相全橋\3-Phases | MG50ME120FTS1_3 | ||
| MF-EconoPACK3 | 三相全橋\3-Phases | MG75ME120FTS1_3 | MG100MF170BTH1 | |
| MG50ME120FTH1_3 | ||||
| MG75ME120FTH1_3 | ||||
| MG75MF120FTS1_3 | ||||
| MG100MF120FTS1_3 | ||||
| MG150MF120FTS1_3 | ||||
| MG200MF120FTS1_3 | ||||
| MG75MF120FTH1_3 | ||||
| MG100MF120FTH1_3 | ||||
| MG150MF120FTH1_3 | ||||
| MG200MF120FTH1_3 | 
輔助電路部分:
| 名稱 | 參數范圍 | 
| 整流橋 | 2A~35A,50V~1000V | 
| 普通整流二極管 | 0.2A~10A,50V~5000V | 
| 快恢復二極管 | 0.2A~6A,50V~5000V | 
| 超快恢復二極管 | 1A~6A,50V~1000V | 
| 功率二極管 | 7A~30A,20V~150V | 
二、高壓變頻器
高壓變頻調速系統采用直接“高-高”變換形式,為單元串聯多電平拓撲結構,主體結構由多組功率模塊串聯而成,從而由各組低壓疊加而產生需要的高壓輸出,它對電網諧波污染小,輸入功率因數高,不必采用輸入諧波濾波器和功率因數補償裝置;輸出波形質量好。

每個功率單元分別由輸入變壓器的一組副邊供電,功率單元之間及變壓器二次繞組之間相互絕緣,二次繞組采用星形折邊接法,實現多重化,以達到降低輸入諧波電流的目的。每個功率單元結構上完全一致,可以互換。
系統為基本的單相逆變電路,整流側為二極管三相橋, IGBT逆變橋的控制方式為PWM控制,并且有自動單元旁路功能。

IGBT部分
| 封裝 | 拓撲 | 1700V | 
| MA_34mm | 半橋\half-bridge | MG100MA170BTH1 | 
| MB_62mm | 半橋\half-bridge | MG200MB170BTH1 | 
| MG300MB170BTH1 | ||
| MN-EconoDUAL?3 | 半橋\half-bridge | MG300MN170BTH1 | 
| MG450MN170BTH1 | 
三、電能質量
隨著科學技術和國民經濟的不斷發展,電力電子精密儀器的大量使用,對電能質量的要求越來越高。與此同時,現代電網的用電結構也發生了很大的變化,非線性負荷和沖擊負荷的大量接入,使得電力能源受到的污染日益嚴重。導致用戶電力設備故障或誤操作的電壓電流或頻率的靜態偏差和動態擾動。通過安裝電力濾波器,阻止諧波源產生的諧波注入電網,或者阻止電力系統的諧波流人負載端。
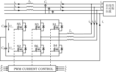
有源濾波器

SVG動態無功補償

IGBT部分
| 封裝 | 拓撲 | 1700V | 
| MA_34mm | 半橋\half-bridge | MG100MA170BTH1 | 
| MB_62mm | 半橋\half-bridge | MG200MB170BTH1 | 
| MG300MB170BTH1 | ||
| MN-EconoDUAL?3 | 半橋\half-bridge | MG300MN170BTH1 | 
| MG450MN170BTH1 | 
輔助電路部分:
| 名稱 | 參數范圍 | 
| 整流橋 | 2A~35A,50V~1000V | 
| 普通整流二極管 | 0.2A~10A,50V~5000V | 
| 快恢復二極管 | 0.2A~6A,50V~5000V | 
| 超快恢復二極管 | 1A~6A,50V~1000V | 
| 功率二極管 | 7A~30A,20V~150V | 




 

